




ÀÎÅͳÝÀÌ ¾ÈµÉ ¶§
Áö½Ää³Îe - Knowledge of the channel e, ¾ö¸¶°¡ ¿ï¾ú´Ù. 5ºÐ 7ÃÊ

- ºÐüÀÇ ¸ð¾ç, Å©±â, ¼ºÁú¿¡ ´ëÇÏ¿© ¾Ë ¼ö ÀÖ´Ù.
- ºÐ¼âÀÇ ¿ø¸®¸¦ ÀÌÇØÇÏ°í ¼³¸í¾Ë ¼ö ÀÖ´Ù.
- ºÐ¼â ½Ç½ÀÀ» ÅëÇÏ¿© ºÐ¼â±â¸¦ Á¶ÀÛÇÒ ¼ö ÀÖ´Ù.

- ºÐ¼â ±â°è´Â ºÐ¼âÇØ¾ß ÇÒ ¿ø·á ¹°ÁúÀÇ ¼ºÁú°ú ºÐ¼âÇÏ¿© ¾ò¾îÁö´Â »ý¼º¹°ÀÇ ÀÔÀÚ Å©±â¿¡ µû¶ó ¿©·¯ °¡Áö ºÐ¼â ±â°è¸¦ ¼±ÅÃÇÏ¿© »ç¿ë
- ºÐ¼â¹°ÀÇ Å©±â¿¡ °ÅÄ£ ºÐ¼â±â(Á¶ºÐ¼â±â, coarse), Áß°£ ºÐ¼â±â(intermediate crusher), °í¿î ºÐ¼â±â(¹ÌºÐ¼â±â, fine crusher), ¾ÆÁÖ °í¿î ºÐ¼â±â(ÃÊ¹Ì ºÐ¼â±â, ultra fine pulverizer) µîÀ¸·Î ºÐ·ù
|
ºÐ·ù
|
ÀåÄ¡ÀÇ º¸±â
|
ÀÔÀÚ Å©±â
|
|
°ÅÄ£ ºÐ¼â±â
|
Á¶ ºÐ¼â±â(jaw crusher)
¼±µ¿½Ä ºÐ¼â±â(gyratory crusher)
·Ñ ºÐ¼â±â(roll crusher)
|
80~140mm
|
|
Áß°£ ºÐ¼â±â
|
ÇØ¸Ó ¹Ð(hammer mill)
·Ñ¸µ ¾ÐÃà ¹Ð(rolling compression mill)
·Ñ·¯ ¹Ð(roller mill)
|
10~3mm
|
|
°í¿î ºÐ¼â±â
|
¸¶¸ð ¹Ð(attrition)
ÅÒºí¸µ ¹Ð(tumbing mill)
- ·Îµå ¹Ð(rod mill)
- º¼ ¹Ð(ball mill)
- Æäºí ¹Ð(pebble mill)
- Æ©ºê ¹Ð(tube mill)
-ĸ·ÀÌ Æ©ºê ¹Ð(compartment mill)
|
100¸Þ½Ã ÀÌÇÏ
|
|
¾ÆÁÖ °í¿î ºÐ¼â±â
|
³»ºÎ ¼±º°±â ºÎÂø ÇØ¸Ó¹Ð
(hammer mill with internal classification)
À¯Ã¼ ¿¡³ÊÁö ¹Ð(fluid energy mill)
±³¹Ý½Ä ¹Ð(agitated mill)
|
200¸Þ½Ã ÀÌÇÏ
|
(1) ºÐ¼âÀÇ Á¾·ù¿Í ¿îÀü ¹æ¹ý

- VÀÚ ¸ð¾çÀÇ ÅÎ(jaw)¿¡ ¿ø·á¸¦ ³Ö°í ¾ÐÂøÇÏ¿© ºÐ¼âÇÏ´Â ÀåÄ¡
- ÇÑÂÊ ÅÎÀº °íÁ¤µÇ¾î ÀÖ°í ´Ù¸¥ ÇÑÂÊÀº ¿Õº¹ ¿îµ¿

±×¸²¥´-8 ¾Æ±Í ÆÄ¼â±â
Jaw Crusher Animation ÀÎÅͳÝÀÌ ¾ÈµÉ ¶§ 4ºÐ 30ÃÊ

- °íÁ¤µÈ À¯¹ß°ú Æí½ÉÀ¸·Î ¼±È¸ÇÏ´Â ¿øÃßÇüÀÇ ºÐ¼â¸Ó¸®¿¡ ÀÇÇÏ¿© ºÐ¼âµÇ¸ç °£°ÝÀº Ç×»ó º¯ÈÇÑ´Ù.
- ´ë±Ô¸ð ºÐ¼â¿¡ ÀûÇÕÇϸç Å« ºÐ¼â¹°Àº Àü´Ü°ú ÈÚÀÛ¿ë, ÀÛÀº °ÍÀº ¾ÐÃà°ú Àü´Ü ÀÛ¿ëÀ¸·Î ÀϾÙ.
- ¼±µ¿ ºÐ¼â±â´Â ±× µ¿ÀÛÀÌ ¿Õº¹¿îµ¿À̱⠺¸´Ù´Â ȸÀü ¿îµ¿À̱⠶§¹®¿¡ ¿Õº¹ ¿îµ¿À» ÇÏ´Â Á¶ ºÐ¼â±â¿¡ ºñÇÏ¿© ¼Ò¸ð µ¿·ÂÀÌ Àû°í °í¸£¸ç ´ÜÀ§ ¹èÃâ ¸éÀû´çÀÇ ºÐ¼â ´É·Âµµ ´õ Å©´Ù.

±×¸²¥´-9 ¼±µ¿½Ä ÆÄ¼â±â
How does a gyratory crusher works ÀÎÅͳÝÀÌ ¾ÈµÉ ¶§ 21ÃÊ

- 2°³ÀÇ ÆòȰÇÑ ¿øÅëÇü ·ÑÀÌ ¼·Î ¹Ý´ë ¹æÇâÀ¸·Î ȸÀüÇÏ¸é¼ ºÐ¼âÇÏ´Â ÀÌÁß ·Ñ ºÐ¼â±â(double roll crusher)¿Í Åé´Ï°¡ ´Þ¸° ÇÑ °³ÀÇ ·Ñ°ú º® »çÀÌ¿¡¼ ºÐ¼âÇÏ´Â ´ÜÀÏ ·Ñ ºÐ¼â±â(single roll crusher)°¡ ÀÖ´Ù.

(a) ÀÌÁß ·Ñ ºÐ¼â±â (b) ´ÜÀÏ ·Ñ ºÐ¼â±â
±×¸²¥´-10 ·Ñ ºÐ¼â±â
Double Roll Crusher ÀÎÅͳÝÀÌ ¾ÈµÉ ¶§ 45ÃÊ
- ÀÌÁß ·Ñ ºÐ¼â±â´Â ÀÔÀÚ¿¡ Àü´ÞµÇ´Â ÈûÀÌ ¾ÆÁÖ Ä¿¼ ºÐ¼âµÇ±â Èûµç ÀÔÀÚ¿¡ ÀÇÇÏ¿© ·Ñ¸éÀÌ ¼Õ»óµÇ´Â °ÍÀ» ¹æÁöÇϱâ À§ÇÏ¿© ÇÑ ÂÊ ·Ñ¿¡´Â ½ºÇÁ¸µÀÌ ÀÖÀ¸¸ç, ¾ÐÃà, Àü´Ü ¹× ¸¶Âû¿¡ ÀÇÇÏ¿© ºÐ¼â°¡ ÀϾÙ.
- ´ÜÀÏ ·Ñ ºÐ¼â±â´Â ¾ÐÂø, Ãæ°Ý, ÂõÀ½ÀÌ µ¿½Ã¿¡ ÀÛ¿ëÇÏ¿© ¹°¸®°¢ÀÇ ¹®Á¦´Â ¾ó¾î³ªÁö ¾ÊÀ¸³ª ´ëü·Î ´Ù¼Ò °æµµ°¡ ÀÛÀº °Í¸¸À» ºÐ¼âÇÒ ¼ö ÀÖ´Ù.
(2) ¹ÌºÐ¼â±âÀÇ Á¾·ù¿Í ¿îÀü ¹æ¹ý

- µ¹¾Æ°¡´Â ¹ÙÄû¿¡ ÇØ¸Ó°¡ ´Þ·Á ÀÖ¾î ȸÀüÇÏ¸é¼ Ãæ°Ý¿¡ ÀÇÇÏ¿© ¿ø·á¸¦ ºÎ¼ø´Ù.
- ÇØ¸Ó ºÐ¼â±âÀÇ ¹Ø¿¡´Â ü(screen)°¡ ÀÖ¾î¼ ÀÏÁ¤ÇÑ Å©±â·Î ºÐ¼âµÈ °Í¸¸ À̸¦ ºüÁ® ³ª°¡°Ô µÇ¾î ÀÖ´Ù.
- ÇØ¸ÓÀÇ È¸Àü ¼Óµµ°¡ ºü¸£¹Ç·Î ´Ü´ÜÇÑ ºÐ¼â ¿ø·áº¸´Ù´Â ºÎ¼Áö±â ½¬¿î ¼®È¸¼®, ¼®°í, ¾Ï¿°, ¼®ÅºÀÇ ºÐ¼â¿¡ ÀûÇÕ
- ¾Æ½ºº£½ºÆ®, »çÅÁ¼ö¼ö, ÄÚÅ©½º µî ¼¶À¯ÁúÀÇ ºÐ¼â¿¡µµ ÀÌ¿ëµÇ°í Àִµ¥ ÀÌ ¶§¿¡´Â ¹Ù´ÚÀÇ °Ã¶ ¸·´ë´Â ¸ð¼¸®°¡ ³¯Ä«·Î¿î °ÍÀ» ¾´´Ù.

±×¸²¥´-11 ÇØ¸Ó ¹Ð
Hammer Mill Working Animation ÀÎÅͳÝÀÌ ¾ÈµÉ ¶§ 42ÃÊ

- ȸÀüÇÏ´Â ·Ñ·¯¿Í °íÁ¤µÈ °í¸®¸é »ó¿¡ ¿ø·á°¡ ³¢¿©¼ ÆÄ¼â

±×¸²¥´-12 ȸÀü ¾ÐÃà ¹Ð
Vertical Roller Mill ÀÎÅͳÝÀÌ ¾ÈµÉ ¶§ 1ºÐ 42ÃÊ

- ºÐ¼â ¿ø·á°¡ ȸÀü ¿øÆÇ¿¡ È«ÀÌ ÆÄÀÎ ÆòÆÇ »çÀÌ¿¡¼ ºñºÁö°Ô µÇ¾î ºÐ¼âµÇ´Â ±â±â
- ´ÜÀÏ È¸ÀüÀÚ ¹Ð : ÇÑ ¿øÆÇÀÌ °íÁ¤µÇ¾î ÀÖ´Â ¹Ð
- ÀÌÁß È¸Àü ¹Ð :µÎ ¿øÆÇÀÌ ¼·Î ¹Ý´ë ¹æÇâÀ¸·Î °í¼Ó ȸÀüÇÏ´Â ¹Ð

±×¸²¥´-13 ¸¶¸ð ¹Ð

- ¿øÅëÀÇ ¿ÜÅëÀÌ ¼öÆòÃàÀ» ¼½ÃÈ÷ µ¹¸®°í, ±× Åë ºÎÇÇÀÇ Àý¹ÝÀÌ °íü¸¦ ºÐ¼â½ÃŰ´Â ¸Åü(±Ý¼Ó, ´Ü´ÜÇÑ ÀÚ°¥, Áö¸£ÄÜ µîÀÇ ±¸Çü)·Î ä¿öÁüÀ¸·Î½á ÅÒºí¸µÀÌ Çü¼ºµÇ¾î ¿ø·á¸¦ ºÐ¼â
- ¿ø·á ÅõÀÔ ¹æ¹ý¿¡ µû¶ó ¿¬¼Ó½Ä ¶Ç´Â ȸºÐ½Ä
- ºÐ¼â ¸Åü¿Í ÇüÅ¿¡ µû¶ó ·Îµå ¹Ð, º¼ ¹Ð, ÆÐºí ¹Ð, Æ©ºê ¹Ð, ĸ·ÀÌ Æ©ºê ¹Ð·Î ±¸ºÐ

±×¸²¥´-14 ¿øÃßÇü º¼ ¹Ð
ABB ring geared mill drives ÀÎÅͳÝÀÌ ¾ÈµÉ ¶§ 3ºÐ 07ÃÊ

- »ç¶÷ÀÌ ¾ÆÁÖ ¿À·¡ÀüºÎÅÍ »ç¿ëÇØ ¿Â ºÐ¼â±â·Î ¸Ëµ¹À̶ó ºÎ¸§, ¹Ð°¡¸£¸¦ ¸¸µå´Â µ¥ ÁÖ·Î »ç¿ë
- °î¹°ÀÇ °¡·ç ³»±â¿Í ÆäÀÎÆ®, Àμâ¿ë À×Å© ¹× ÀǾàǰ Á¦Á¶ °ø¾÷ µîÀÇ ºÐ¾ß¿¡¼ ¼ÒÇüÀÌ »ç¿ëµÊ
(3) ¾ÆÁÖ °í¿î ºÐ¼â±â

- ȸÀüÀÚ ¿øÆÇ¿¡ Çã¿ë ÀÔÀÚº¸´Ù Å« ÀÔÀÚ¸¦ ºÐ¸®ÇØ ³»´Â ¹æ»çÇü ³¯°³°¡ ÀÖ°í, ȸÀüÀÚ Ãà¿¡´Â ȯdz±â°¡ ÀÖ¾î Çã¿ë ÀÔÀÚ ÀÌÇÏ Å©±âÀÇ »ý¼º¹°Àº °ø±â¿Í ÇÔ²² ¼öÁý°üÀ¸·Î ¹èÃâ

±×¸²¥´-15 ³»ºÎ ¼±º°±â ºÎÂø ÇØ¸Ó ¹Ð

- °ø±â³ª ¼öÁõ±âÀÇ °í¼Ó ºÐÃâ È帧¿¡¼ »ý¼ºµÈ ³·ù¿¡ ÀÇÇØ ÀÔÀÚ »óÈ£°£ÀÇ ¸¶¸êÀ̳ª º®ÀÇ ¸¶Âû¿¡ ÀÇÇØ ºÐ¼â

±×¸²¥´-16 À¯Ã¼ ¿¡³ÊÁö ¹Ð
ÀÎÅͳÝÀÌ ¾ÈµÉ ¶§ 1ºÐ 20ÃÊ

- º¼, Æç¸´, ¸ð·¡¾Ë°ú °°Àº °íü ºÐ¼â ¸Åü¸¦ ³»Æ÷ÇÑ ¿ë±â¿¡ ¾×ü¸¦ ä¿î ÈÄ, ±³¹ÝÇÏ°í³ª Áøµ¿½ÃÅ´À¸·Î½á ¾ÆÁÖ ¹Ì¼¼ÇÑ ÀÔÀÚ¸¦ ¾òÀ» ¼ö ÀÖ´Â ºÐ¼â±â
±³¹Ý½Ä ¹Ð
ÀÎÅͳÝÀÌ ¾ÈµÉ ¶§, 9ÃÊ

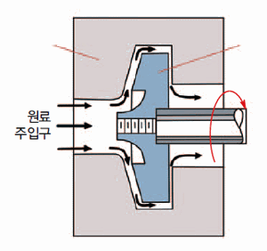
- ºÐ¼â ¿ø·á¸¦ ¿ë¾× Áß¿¡ ºÐ»ê½ÃÄÑ È¥ÇÕ¹°À» ¸¸µç ´ÙÀ½ °í¼ÓÀ¸·Î ȸÀüÇÏ´Â ¿øÆÇ°ú º®ÀÇ Á¼Àº °£°ÝÀ¸·Î Åë°ú½ÃÄÑ ºÐ¼â

±×¸²¥´-17 ÄÝ·ÎÀÌµå ¹Ð
colloid mill peanut butter- soya-food- almond ÀÎÅͳÝÀÌ ¾ÈµÉ ¶§ 1ºÐ 30ÃÊ

ÀÎÅͳÝÀÌ ¾ÈµÉ ¶§
´ëÇѹα¹ ¿µÈ ¿ª»ç»ó ¼Õ ²ÅÈ÷´Â ¸íÀå¸é(űرâ ÈÖ³¯¸®¸ç) 8ºÐ 39ÃÊ

